-
Innholdsteller
1,760 -
Ble med
-
Besøkte siden sist
-
Dager vunnet
11
Alt skrevet av Espen Solheim
-
Kjøp deg billig VAG skanner på biltema husker ikke om det var 300kr eller 400kr den kostet,den er lett og bruke bare skrive ned kodene og søke opp koden(e) på Ross tech wiki.com
-
Rekner med att om den første avtalen går tom vil du få straffegebyr neste gang du passerer der den første avtalen gjelder,meiner straffegebyr er rundt 400kr sånn er det iallefall her. Du må nok avslutte den avtalen og høre med dem hvordan du gjør dette.
-
Limp mode:Manifold Abs.Pressure Sensor (G71) 1.6/16V/AZD
emne svarte i Espen Solheim sin Espen Solheim i Golf 4
[ATTACH]40152[/ATTACH] på radiness får eg failed på flere uten att der er noen feilkoder,er dette for det er feil eller for det ikke er sensor på de som det står failed på? [ATTACH]40153[/ATTACH] Dette er uten att motoren går [ATTACH]40154[/ATTACH] På tomgang [ATTACH]40155[/ATTACH] Her går bilen på ca 1800rpm men to av rpm målerene står på 700rpm og 900rpm. [ATTACH]40156[/ATTACH] Noen som vett om dette er rette verdier? Nå fekk eg testet 17Instruments kom rett in,merkelig att eg ikke kom inn tidligere innstilingene på vcds lite er de samme som tidligere. Så skulle eg starte og kjøre til butikken når eg var ferdig med dette og da går bilen nesten heilt fint igjen,eg gjekk over alle ledningene og slangene i motorommet men fant ikke noe som var av eller øydelagt. Den går fortsatt litt ujevnt på tomgang men det var mye bedre drag enn tidligere selv om det enda mangler litt,feilkoden på MAP blei slettet tidligere og den var ikke kommet tilbake når eg sjekket nå. -
[ATTACH]40150[/ATTACH] 4gir automatisk girkasse,nr25 er tappepluggen og nr4 er påfyllingspluggen. [ATTACH]40151[/ATTACH] 5girs automatisk girkasse,nr11 er tappepluggen og nr16 er påfyllingspluggen Eg hadde byttet oljen og hatt ny,vett ikke hvor mye automatkassen skal ha men møller vett hvor mye du skal fylle på. På mange av de manuelle kassene fyller man opp til påfyllingshullet men er usikker på hvordan det er på automat. Husk og få girkassen varm om du skal bytte olje,da får du ut mye mer dritt.
-
Limp mode:Manifold Abs.Pressure Sensor (G71) 1.6/16V/AZD
emne svarte i Espen Solheim sin Espen Solheim i Golf 4
Har også ett annet problem eg kommer ikke inn på 17 instruments modulen for og feilsøke og rekode,har vært inne her tidligere og rekodet den sånn att bremseslitasjelyset ikke lyste. Nå har eg fått nye klosser og ville recode men det kommer opp att den ikke finner den,har vært inne på den etter eg kodet den sist men nå får eg ikke kontakt med den eg får kontakt med alle andre modulene. -
Den første startsperre koden din er rett,se her er info om koden fra ross tech wiki: 17978/P1570/005488 - Engine Start Blocked by Immobilizer [h=4]Possible Symptoms[/h] Engine starting but stalling immediately [h=4]Possible Causes[/h] Key(s) not matched Instrument Cluster not matched Engine Control Unit (ECU) not matched Engine Control Unit (ECU) Power Supply faulty [h=4]Possible Solutions[/h] Check for Fault Codes in Immobilizer itself (part of Instrument Cluster in many cars, but separate Immobilizer Control Module in some) Check Immobilizer Measuring Values (usually in Instrument Cluster OR Immobilizer Control Module) Match Key(s)/Instrument Cluster/Engine Control Unit (ECU) Check Engine Control Unit (ECU) Power Supply (Relay) [h=4]Special Notes[/h] In case of Engine Starting Issues please make sure that you are really experience an Immobilizer related Problem! Even if the Immobilizer engages, the Engine will still start fine but cut out after 2-3 Seconds. If you are NOT experiencing this behavior (e.g. Engine doesn't start at all) your Problem is very likely NOT Immobilizer related. May be stored in Combination with 01176 - Key: Signal too Low in Immobilizer Control Module. If no other immobilizer related fault codes are stored and the immobilizer related meas. blocks are fine except Engine Start not allowed, in rare occasions it helps to try cold-booting the car. Remove both battery cables from the battery. Short the battery cables together (away from the battery) for about 15 seconds. Reconnect the battery. (Example) Low battery voltage (including a faulty battery) may cause Immobilizer system malfunctions and testing should be done only with a known good battery installed.
-
Skal få opp rett koder selv om du har uregistrert vagcom,eg få altid opp kodene og de finner eg på ross tech wiki. Eg måtte innstalere min pirat kabel på ny i går og du skal ikke registrere pirat kabelen det koster penger og da får du full tilgang til vcds lite med pirat uten reg får du lese av og slette feilkoder + du kan lese av noen av sensorene og fjerne bremseslitasjelyset. Når du kommer innpå der feilkodden står rykker du copy codes og så åpner du notisblokken og trykker lim inn og Lagre du kan også lime kodene direkte inn her hvor du skriver. Her er min feilkode fra tidligere,så ser du hvordan de ser ut når du kopierer de. Koden er beskrevet med to koder :17563(1) P1155 (2),begge disse søker du lett opp på ross tech siden. VCDS-Lite Version: Release 1.2 Friday, 16 August 2013, 14:23:03. Control Module Part Number: 036 906 034 BH Component and/or Version: MARELLI 4MV 5165 Software Coding: 0000000 Work Shop Code: WSC 00795 VCID: 59C50E67D001 2 Faults Found: 17978 - Engine Start Blocked by Immobilizer P1570 - 000 - - - Intermittent - Shareware Version. To Decode all DTCs 17563 P1155 - 000 - Please Register/Activate - Intermitten
-
Plutselig kjenner eg att bilen drar dårlig og klarer ikke eingang og få den til og spinne i på våt asfalt i 1gir,ikke att eg spinner så mye he he Men så får eg opp denne koden og lurer på hva dette kan være,eg har hatt av batteriet og coilene på bilen men kan ikke huske og ha holdt på med noe sensorer,rekner med dette er MAP sensoren som sitter på innsugsmanifoilen og den har vel aldri blitt byttet hadde den av for noen måneder siden. Eg har også VC scope log fra bilen men eg har store problemer med og tyde alle sensorene men kan ta bilde vag com eller sende logenene om noen kan hjelpe meg?. Måles sensorene på tomgang eller på ett gitt turtall? Kan også si att det er ein heilt anne lyd i motoren spesielt på høyt turtall den går i tilegg litt ujevnt,eg har bare pirat vag com kabel. Takke på forhånd for svar:helpme: Her er feilkoden? 17563/P1155/004437 - Manifold Abs.Pressure Sensor (G71): Circ. Short to B+ Possible Symptoms Limp mode Possible Causes Connection(s) to/from Manifold Abs.Pressure Sensor faulty Manifold Abs.Pressure Sensor (G71) faulty Pipes/hoses not/wrongly attached Possible Solutions Check wiring and connections Check / Replace Manifold Abs.Pressure Sensor (G71) Check pipes and hoses Special Notes Someone with this dtc replaced the Boost Pressure Controle Valve (N75) and the dtc disappeared More info about the Manifold Abs.Pressure Sensor (G71) (German language): Geber G71 (Saugrohrdruck) ? T4-Wiki Edit:eg får opp 330mbar på vc scope vett ikke om dette er MAP sensoren,dette er på tomgang. På 3000rpm er den opp i 700mbar men veldig ustabil og hopper plutselig til 230mbar.
-
Bytte toppakning på Audi A4 b5 1.8t AEB motor 150hk. Anbefaling?
emne svarte i Espen Solheim sin keon2k i Audi
De selger vel på mekkonomen,bilxtra og meca du må også ha boltene til toppen da det kun brukes ein gang,du må stramme boltene i rett rekkefølge og med rett moment. Registerreimen/kjede må av og alt som er festet til toppen likeså,om du aldri har skiftet toppakning bør du få hjelp du bør også få sjekket att toppen er heilt rett og ikke lekker i ventiler eller føringene ville anbefale deg og bytte ventiltetningene i samme slengen. De pleier og selge slipesett til topp der er det toppakning,boltene og moen følger også ventiltetningene med du må kansje ha pakningstoff til toppdekselet da det må av for og komme til boltene til toppen. De selger pakningstoff som er til toppdekselet og det koster 80-130kr. Vist toppen ikke er plan(rett) blir det heilt bortkastet og bytte toppakning da den vil ryke etter kort tid eller aldri bli tett,trykktesting og planering av toppen pleier ikke og være så veldig dyrt. -
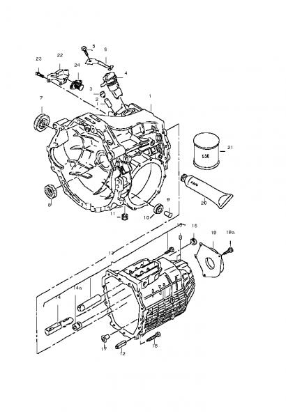
Guiden for girkasse ovenfor passer til disse girkassekodene:[TABLE] [TR] [TD][/TD] [TD]DLP,DRZ,DSB, DUU,DUS,DUW, DNZ,DUV,ERT [ATTACH]40143[/ATTACH] Her er bilde av girkassen,om noen trenger bilder av Seat/VW/Audi/Skoda må dere registrere dere på vagcat.com det er delekatalog med bilde av alle delene på bilen må registrere for og se bilder og bla i katalogen men registrering går fort. Link:VagCat boards NB:Bilde av girkassen er hentet fra vagcat [/TD] [/TR] [/TABLE]
-
Han har ein annen 944 som er kjørt 20 000km mer og er ett år eldre denne skal han ha 4500€ for, ville vært meget skeptisk og spesielt når ein av de andre 944 er gått 0km og han skal ha 2100€. Det er så mye km juks i Tyskland og spesielt på eldre biler,vist du skal se på bilen må du først lese deg opp på tips til hvordan du ser om serviceheftet er jukset med og han bør kunne dokumentere den lave km standen. Fekk ein dårlig magefølelse,vist det virker for godt til og være sant er det ofte akkurat det.
-
Reparere steinsprutskader i synsfeltet er vel ikke lov selv om noen gjør det,vett om folk som har reparert og klart og slippe unna men vist du har mangelapp vil de nok sjekke om ruta er skiftet eller att det ikke viser. Reperasjon av steinsprut vil ikke få steinspruten til og ikke vise om du sjekker ruten vil du se om den er reparert,egentlig skal ikke de reparere steinsprutskade i synsfeltet og om du finner noen som gjør det vil eg tro att dette ikke blir tatt på forsikring men ut av egen lomme og uten noen garanti det er også ein liten risiko att ruten sprekker når de reparere den.
-
Mitt forsøk på og lage ei klemme gjekk dårlig da eksosanleget kommer for langt opp,må nok finne noen som kan sveise dette for meg. [ATTACH]40134[/ATTACH] Eg kjører nå uten feste på midtre lyddemper men eksosanleget henger fint uten foreløpigt,det beste av alt er att den forferdelige knake lyden er borte og bilen går som ein drøm bremsene fremme er også mye bedre og støyen fra hjullageret foran er borte. [ATTACH]40135[/ATTACH] Powerflexforingene brukte eg ein powerflex og ein orginal foring da det blei for mye med begge på.Powerflexforingene brukte eg ein powerflex og ein orginal foring da det blei for mye med begge på. Nå går bilen i første gir uten og stoppe heilt opp,eg må må enda litt ned i fart men nå kan eg få den i 1gir i 25-30kmt før måtte eg ha 10kmt eller mindre. Girspaken har mye mindre slark og føles bra eineste er sideleng pga det staget kjøpte eg ikke da eg ikke viste om det. [ATTACH]40136[/ATTACH] Det nye eksosrøret henger fint og er tett,det tok litt tid før det blei tett eg kjørte 2mil og etterstramet boltene og nå virker det greit selv. [ATTACH]40137[/ATTACH] Det var fronten ferdig så da gjenstår hjullagrene bak som er ein lett jobb,må kjøpe meg ein større ters og verktøy til og skru inn bresecaliper bak håper og få skiftet i helgen og skal se om eg husker og ta med kameraet. Skal også ta bort bokstavene på bakluken sånn att det blir litt mer "cleant"
-
Takker for svar,det virker ut som det er midtre lydemper som gnikker i stålet og det lager ein grusom knake lyd. Skal ut for og ta det av og så på biltema og kjøpe slike oppheng som man fester på eksosklemmeboltene,skal bestille ny midtre og bakkerste lyddemper sånn att det blir 100%. Drivleddene blei det byttet mansjetter på for ett år siden og de ser fine ut,var også forsiktig og hengte opp drivakslingene når eg holdt på. Kjekt du liker tråden,prøver og holde bilen i god stand og så er det gøy og fikse ting selv :-)
-
Ja eg måtte ta den litt ned i går for og få eksosanleget gjenom dog uten og løsne tannstangen da det var snak om 1cm. Ser foringene til tannstangen er sprukket så eg får kjøpe inn de først,er det best og ta av hjulene? tenker på når eg skak la den på plass igjen den veier jo noen kg. Bør vel også bestille nye bolter det er vel strekkbolter der også. Takker for svar :-)
-
Lurer på AC kompresoren når lagerene i disse er slitne kan kompressoren demonteres og lagrene byttes,rekner med gassen forsvinner. Tenker mer på om det er veldig vanskeligt og om alle oringer/simmeringer eller og pakninger må byttes? Kjenner det er slark i reimhjulet ikke mye men litt,AC fungerer fortsatt fint :-)
-
På car-bock.de handler eg ein del der er det veldig billig og frakten koster bare 20€ og det er med fortollingsgebyret til posten,her kan du skifte til engelsk språk og så er det lett og handle om engelsk er vanskelig kan du bruke google translate pleier og stå på siden av søket når du søker med google. Reservederler.24.co.no er også veldig bra priser og den er på norsk med fast frakt på 200kr vett ikke om det er inkludert moms da eg aldri har bestilt her enda men det står mer info på siden deres. Link:http://www.reservedeler24.co.no/http://www.reservedeler24.co.no/ Skruvat.no har noe billigt men litt dårlig utvalg eg var litt uheldig med pakken min derfra. Kjekt att du følger med i tråden min :-) ,den er litt rotete men er ein blandingstråd som eg stiller spørsmål og poster fremgangen på bilen.
-
Hvist registereima er skiftet for 10år siden er det 5år lenger enn anbefalt du har også kjørt nesten 10 000km lenger enn byteintervalet. Eg bor desvere ett godt stykke fra bergen,men vil anbefale deg og ikke kjøre bilen før du har byttet ryker reima blr det veldig dyrt så om du må kjøre kjør minst mulig. Du nevner heller ikke hvilken bil og hva mor som er i bilen også årsmodel på bilen hjelper.
-
Det er gir overføringen som tuller,er staget fra girkulen som har hoppet ut av og det verste er att det ser ut til og være under med girkulen. Edit:det var ei kule som hadde hoppet av på overføringen,lyden kommer fra midtre lyddemperfeste som er knekt av så eg får lage ett midlertidligt oppheng av biltema deler.
-
ECU kan ryke ja men det kan møller finne ut rimelig kjapt,problemmet med feil som kommer og går er att det kan koste da feilen må oppstå før de kan feilsøke. Ser det er mange og alvorlige koder som kommer hos deg,på min var lambdasonden gåen og da fekk eg masse andre feilkoder som EGR og MAP sensoren så kodene trenger ikke altid og bety att alle komponentene er gåen men att de er følgekoder som er forårsaket av ein feil. Er som sagt ikke noe diesel mekaniker,har skrudd på ein mopedbil med 400cc diesel men det er noe heilt annet enn ny bil med masse sensorer og ECU. Lykke til
-
Kom til og tenke på indre drivledd, sitter disse fast med noe clips eller kan eg dra drivleddet ut og hva skjer evt om man drar det ut? Ytre drivledd satt fast i navet og eg måtte slite for og få det av og er redd for det er noe her som er galt. Skal bytte om halve powerflex foringen og se om det hjelper,håper det hjelper og att det ikke er noe annet som er feil. Prøvde og jekke opp bilen på eine siden og startet den og kjørte den på giret men da er ikke lyden der,skal ta høyre side nå etterpå.
-
Car-bock.de,hr bestilt herfra 3ganger. Tllklareringsgebyret til posten dekker de og opp til 35kg koster det 20€ og over 35kg koster 40€. Moms Til Tyskland forsvinner når du registrerer deg hos dem,så prisene du ser uten og ha registrert deg er med 19% moms.
Bilforumet diskusjon
Bilforumet er plassen du diskuterer bilrelatert innhold. Du spør gode spørsmål og får hjelp av dyktige medlemmer med til sammen tusenvis av år med erfaring fra bilhold. Du kan diskutere alt fra bremseproblemer, tips til montering av ekstralys, hjelp til feilsøking. Du kan også dele dine erfaringer med andre og hjelpe andre medlemmer av dette fantastiske samfunnet.
Kommersielt innhold
Innholdet på forumet er i all hovedsak brukergenerert og blir moderert av brukerne selv. Det er strenge regler for posting av direkte reklame fra eksterne aktører. Forumet eies av Ekstralys as og er hovedsponsor av forumet. Ekstralys og enkelte partnere har anledning å poste umoderert innhold som kan inneholde produktplasseringer. I slike tilfeller vil kommersielt innhold være merket av den som poster i dens signatur.