Trialmaster Skrevet Juli 2, 2012 Rapporter Share Skrevet Juli 2, 2012 Driver du verksted? Trenger kanskje litt hjelp med å få løs de boltene bå hjulopphenget bak. har no Protane bushings jeg gjerne skulle satt på... Siter Lenke til kommentar Del på andre sider More sharing options...
Trialmaster Skrevet Juli 2, 2012 Rapporter Share Skrevet Juli 2, 2012 Går det bolt tvers igjennom traversen, der? Siter Lenke til kommentar Del på andre sider More sharing options...
ram2five Skrevet Juli 2, 2012 Rapporter Share Skrevet Juli 2, 2012 Nei, - driver ikke verksted lenger, - men drev det frem til 2006. Nå er det bare til eget bruk. Må innrømme at jeg ikke har hatt ut boltene i traversen, - så om de går tvers igjennom eller ikke er jeg ikke sikker på. Men jeg har bok på bilen, - og der står det nok hvordan det er montert. Skal prøve å få sjekket det opp! Siter 1955 Ford F-600 - 1968 Pontiac Firebird 350 Conv 1977 Chrysler Cordoba Patrol 360 Police - 1996 Chrysler Grand Voyager SE Lux 1998 Chrysler Neon CS HAHN Edition - 1999 Dodge Ram 2500 SLT Laramie 2008 Dodge Caliber SXT Startech Lenke til kommentar Del på andre sider More sharing options...
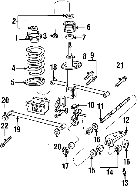
Trialmaster Skrevet Juli 2, 2012 Rapporter Share Skrevet Juli 2, 2012 Har kikket på denne tegningen, og ser bare 1 bolt, men ikke mutter. Ser det er et rør tvers igjennom, mulig det er en mutter på forsiden, men den er ikke lokalisert. Siter Lenke til kommentar Del på andre sider More sharing options...
ram2five Skrevet Juli 2, 2012 Rapporter Share Skrevet Juli 2, 2012 Ut fra tegningen ville jeg tippe at det sitter bolt fra begge sider, - men må nok se litt på hvordan det ser ut på bilen også! Siter 1955 Ford F-600 - 1968 Pontiac Firebird 350 Conv 1977 Chrysler Cordoba Patrol 360 Police - 1996 Chrysler Grand Voyager SE Lux 1998 Chrysler Neon CS HAHN Edition - 1999 Dodge Ram 2500 SLT Laramie 2008 Dodge Caliber SXT Startech Lenke til kommentar Del på andre sider More sharing options...
Trialmaster Skrevet Juli 3, 2012 Rapporter Share Skrevet Juli 3, 2012 Sjekka i dag. Gjennomgående bolt med mutter, pluss rust. Er vel bare å kappe, og sette inn nye bolter. Siter Lenke til kommentar Del på andre sider More sharing options...
Anbefalte innlegg
Join the conversation
You can post now and register later. If you have an account, sign in now to post with your account.