Petterj Skrevet Mai 26, 2008 Rapporter Share Skrevet Mai 26, 2008 Tenkte jeg skulle sjekke om hjullageret var gåent bak, men nå er jeg kommet til den delen etter å ha tatt av skivebremsen, så nå tenkte jeg å demontere "bremsesko-helvete", etter det? hvordan kommer jeg til lageret, hvor sitter det egentlig bak? :) Siter _____________________________________________ 2010- - Volvo 850 T-5R (1995) 2009-2010 - Saab 900 2.0 (1995) 2007-2009 - Volvo 240 TIC (1992) 2005-2006 - Volvo 240 GL (1989) Lenke til kommentar Del på andre sider More sharing options...
esbandos Skrevet Mai 26, 2008 Rapporter Share Skrevet Mai 26, 2008 Lagret sitter rett innafor ytterkanten omtrent.. Bak bremseskjoldet osv.. :) Siter 1993 Audi 100 Avant 2.8Q 1995 Audi A6 Avant 2.5TDI (familiebilen) 1975 Volvo 242L Prosjektet 1980 Volvo 244DL Harryvogna 1980 Ford Taunus 2.0L 2-dørs Lenke til kommentar Del på andre sider More sharing options...
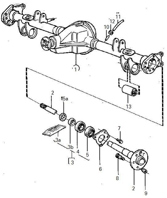
Petterj Skrevet Mai 26, 2008 Forfatter Rapporter Share Skrevet Mai 26, 2008 Lagret sitter rett innafor ytterkanten omtrent.. Bak bremseskjoldet osv.. :) rett innafor ytterkanten? må jeg demontere bremseskjoldet også ?? se bilde: Siter _____________________________________________ 2010- - Volvo 850 T-5R (1995) 2009-2010 - Saab 900 2.0 (1995) 2007-2009 - Volvo 240 TIC (1992) 2005-2006 - Volvo 240 GL (1989) Lenke til kommentar Del på andre sider More sharing options...
Volvo d6 Skrevet Mai 26, 2008 Rapporter Share Skrevet Mai 26, 2008 du må skru opp fire skruer bak bremsebanda og banda må av først. Når du har skrudd opp de fire skruene, så tar du en orginalfelg snur den andre vegen. skru to hjlulbolter litt til så bruker du felgen som slager. Siter Lenke til kommentar Del på andre sider More sharing options...
Petterj Skrevet Mai 26, 2008 Forfatter Rapporter Share Skrevet Mai 26, 2008 skjønte jeg veldig lite av.. bremsebanda? noen andre som kan forklare her? Siter _____________________________________________ 2010- - Volvo 850 T-5R (1995) 2009-2010 - Saab 900 2.0 (1995) 2007-2009 - Volvo 240 TIC (1992) 2005-2006 - Volvo 240 GL (1989) Lenke til kommentar Del på andre sider More sharing options...
esbandos Skrevet Mai 27, 2008 Rapporter Share Skrevet Mai 27, 2008 Du må av med håndbrekkbremsene... De skoene som står igjen på bildet der.. Så løsner du 4 skruer bakom der igjen, for så å dra hele akslingen ut. Siter 1993 Audi 100 Avant 2.8Q 1995 Audi A6 Avant 2.5TDI (familiebilen) 1975 Volvo 242L Prosjektet 1980 Volvo 244DL Harryvogna 1980 Ford Taunus 2.0L 2-dørs Lenke til kommentar Del på andre sider More sharing options...
Petterj Skrevet Mai 27, 2008 Forfatter Rapporter Share Skrevet Mai 27, 2008 og da skal hjullagera sitte rett på innesiden bak bremseskjolda? eller innerst? Siter _____________________________________________ 2010- - Volvo 850 T-5R (1995) 2009-2010 - Saab 900 2.0 (1995) 2007-2009 - Volvo 240 TIC (1992) 2005-2006 - Volvo 240 GL (1989) Lenke til kommentar Del på andre sider More sharing options...
esbandos Skrevet Mai 27, 2008 Rapporter Share Skrevet Mai 27, 2008 Hjullagret sitter ytterst på akslingen.. Nærmest hjulet.. :) Men mener det må presses av/på. Siter 1993 Audi 100 Avant 2.8Q 1995 Audi A6 Avant 2.5TDI (familiebilen) 1975 Volvo 242L Prosjektet 1980 Volvo 244DL Harryvogna 1980 Ford Taunus 2.0L 2-dørs Lenke til kommentar Del på andre sider More sharing options...
Larset Skrevet Mai 27, 2008 Rapporter Share Skrevet Mai 27, 2008 Siter 1988 Volvo 240 GLE 1987 Hydrolift t-17 Er det ikke det ene, er det FAEN meg det andre Lenke til kommentar Del på andre sider More sharing options...
Volvo240TurboInercooler Skrevet Mai 27, 2008 Rapporter Share Skrevet Mai 27, 2008 Du må ta ut hele stikk akslingen, og når du har gjort det så er det en helvetes jobb å bytte lagera for du må ha spesialverktøy med mindre du lager noe selv. Ta av bremseskoene og løys håndbrekk wiren. Løys de fire boltene som sitter bak hub'en. Prøv å dra akslingen ut, er ikke sikkert det går men prøv. Jeg brukte noen lengre bolter enn de som holder akslingen til å terse den ut. Jeg tok bremseskjoldet til siden og skrudde bolten inn gjennom det hullet som er i hub'en. Så snudde jeg akslingen og skrudde bolten ut med fastnøkkel slik at den ble terset ut om du skjønner. Siter Lenke til kommentar Del på andre sider More sharing options...
Kristian S. Skrevet Mai 27, 2008 Rapporter Share Skrevet Mai 27, 2008 Bare plukk ut stikkakselene og lever dem til noen som kan det og har verktøy. Prøvde å bytte selv i vinter og det gikk ikke bra. Siter 92 Volvo 245tic. 88 Volvo 245gl. X75 Volvo 245 Gröna lynet. Lenke til kommentar Del på andre sider More sharing options...
esbandos Skrevet Mai 27, 2008 Rapporter Share Skrevet Mai 27, 2008 Hva er det som ikke går bra? Presse på det nye lagret..? Siter 1993 Audi 100 Avant 2.8Q 1995 Audi A6 Avant 2.5TDI (familiebilen) 1975 Volvo 242L Prosjektet 1980 Volvo 244DL Harryvogna 1980 Ford Taunus 2.0L 2-dørs Lenke til kommentar Del på andre sider More sharing options...
Panhard Skrevet Mai 27, 2008 Rapporter Share Skrevet Mai 27, 2008 når stikkaksel er ute, tar du bare en vinkelsliper og kutter nesten av låsringen til lagret, slår den av med meisel. så legger du på det nye lagret, varmer den nye låsringen til den blir RØD, og hiver den ned på akselen, her har du bare et forsøk. Siter Lenke til kommentar Del på andre sider More sharing options...
Petterj Skrevet Mai 27, 2008 Forfatter Rapporter Share Skrevet Mai 27, 2008 hørtes igrunn litt mer avansert ut enn jeg trodde.. var dritlett foran. Siter _____________________________________________ 2010- - Volvo 850 T-5R (1995) 2009-2010 - Saab 900 2.0 (1995) 2007-2009 - Volvo 240 TIC (1992) 2005-2006 - Volvo 240 GL (1989) Lenke til kommentar Del på andre sider More sharing options...
Panhard Skrevet Mai 27, 2008 Rapporter Share Skrevet Mai 27, 2008 Noen klarer det ved å legge akselen i fryseren natta over. Neste dag så legges ringen på komfyren, sette på plata og vente på riktig farge. Gå i fryseren hent akselen, ta en tang og løft ringen på plass, her er det ikke tid for sommling. Siter Lenke til kommentar Del på andre sider More sharing options...
Anbefalte innlegg
Join the conversation
You can post now and register later. If you have an account, sign in now to post with your account.