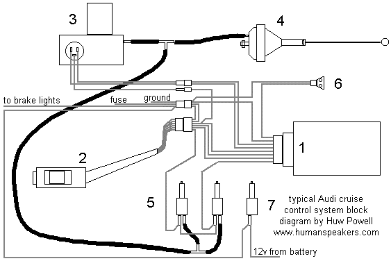
aarryk Skrevet Mai 25, 2010 Rapporter Share Skrevet Mai 25, 2010 (endret) Hei! Jeg har en cruise control som ikke fungerer på min Audi 100 TQ 1990. Jeg har ikke funnet feilen ennå, men har klippet sammen litt info for feilsøking til de som har samme problemet :) (OBS: Står på engelsk) The Audi cruise control consists of several "active" and "passive" components, interlinked with various combinations of vacuum and electrical connections. These are as follows: 1. The electronic control unit, a silver box about the size of a pack of cigarettes behind the console, screwed to the same bracket that hold the back of the radio. Since this is out of the path of common indoor rivers it is usually ok. 2. The operating switches mounted on the turn signal stalk. Before 1985 these had four wires, but in 1985 two more were added, putting it in series with the release switches on the pedals. This enables the "coast" feature. 3. The vacuum pump under the hood, mounted under or over the sheet metal next to the brake booster. 4. The vacuum operated servo device mounted to the side of the head that actuates the throttle via an adjustable rod. It has been reported that these rods fall off every 150,000 miles and jam up the throttle mechanism, usually in heavy traffic. They shouldn't because they have a little pin that snaps in them to hold them in place - which is never there on used cars! 5. The dual switches on the brake and clutch pedal, electrical and vacuum serve to disengage the cruise control. These get filthy and stop closing the electrical circuit properly. 6. The inductive speed sensor pickup mounted in the back of the speedometer, which doesn't seem to go bad but is easy to swap out. 7. The brake light switch is peripherally bound in by the wiring that goes from the cruise system to the brake lights. The first thing to do when your cruise control starts acting up is replace all the vacuum hoses. Why do it half right? At least one is bound to be leaking, and the others probably aren't far behind, especially the portions in the engine compartment. The pedal switches are the next target. Mine became very touchy, to the point that when driving over a bump they would deactivate the cruise control. These switches are a pain to adjust due to their location. They should be closed, i.e. read zero ohms and not leak vacuum, when the pedals are at rest. Don't screw the brake pedal one in too far or it will move the pedal slightly and cause the brake light switch to turn on the brake lights! I recently cleaned the heck out of them, while observing a meter measuring their resistance. They went from a closed reading in the 50 to 200 ohm range, which could easily open with the tiniest motion of the switch button, to a nice solid reading of below 0.5 ohms each, good for the entire last 1/16 inch or so of travel. To clean them you spray an electrical contact cleaner into them and operate them a bunch of times. I use Wurth "Contact OL", there are a few products around for this though. You have to remove at least the cardboard cover under the dash to get at the pedal switches and associated vacuum lines. The brake light switch is the one without the vacuum line. Leave it alone. The cruise control switches are screwed into the frame that holds them, in a really cheesy way - the cast aluminum has a little steel insert that grabs the threads on the switch. Another failure mode results from the brake light circuit. For some reason, the cruise control module runs a phantom ground through the brake light bulbs - if both are out the cruise control will not work at all. Is this a feature? Who can tell? If replacing the vacuum lines and making sure the switches are good doesn't make your cruise control work again, you can follow the comprehensive testing procedure in the Bentley which I have condensed here to identify where your system is faulty. Suffering lousy cruise control, I looked at the usual split hoses, misadjusted switches, etc. It turns out a large part of the problem was weak vacuum from the pump. To fix this, I attached a length of hose onto the suction port, put the hose in a can of soapy water, and sucked the can dry by manually engaging the pump with 12v jumpers. Much salty road gunk came out from previous split hoses and the vacuum jumped from 3 inches to around 15-18!! Key: 1: Control unit - usually buried in center console or behind dashboard 2: Operating switches - on column switch stalk 3: Vacuum pump - under hood, usually next to brake master cylinder 4: Servo unit - usually on a bracket over the cam cover 5: Brake and clutch switches - half way up the pedal bracketry 6: Inductive speed sensor - on the back of the speedometer 7: Brake light switch - half way up the pedal bracket Endret Mai 25, 2010 av aarryk Siter aarryk ---- 1990 Audi 100 Avant Turbo quattro Sport (S711) Lenke til kommentar Del på andre sider More sharing options...
aarryk Skrevet August 15, 2010 Forfatter Rapporter Share Skrevet August 15, 2010 Fant feilen i helgen... Det var speedometeret som gjorde det. Fikk byttet ut med et annet, og nå fungerer både CC og kjørecomputeren (gjennomsnittsfart, bensinforbruk etc.) :) Siter aarryk ---- 1990 Audi 100 Avant Turbo quattro Sport (S711) Lenke til kommentar Del på andre sider More sharing options...
Magnus_Biri Skrevet August 28, 2010 Rapporter Share Skrevet August 28, 2010 Fant feilen i helgen... Det var speedometeret som gjorde det. Fikk byttet ut med et annet, og nå fungerer både CC og kjørecomputeren (gjennomsnittsfart, bensinforbruk etc.) :) Byttet du hele instrumentpanelet eller kun speedometeret? Evt. hvor fikk du tak i det? Siter Lenke til kommentar Del på andre sider More sharing options...
aarryk Skrevet August 29, 2010 Forfatter Rapporter Share Skrevet August 29, 2010 Byttet du hele instrumentpanelet eller kun speedometeret? Evt. hvor fikk du tak i det? Byttet bare speedometeret. Fant ett på http://www.finn.no . Let litt rundt, så dukker det opp. Vær forsiktig ved bytte av speedo. Siter aarryk ---- 1990 Audi 100 Avant Turbo quattro Sport (S711) Lenke til kommentar Del på andre sider More sharing options...
Anbefalte innlegg
Join the conversation
You can post now and register later. If you have an account, sign in now to post with your account.