Lasse J Skrevet Januar 19, 2010 Rapporter Share Skrevet Januar 19, 2010 Hei. Jeg går vg2 kjøretøy, og vi har et bilcross prosjekt i PTF. Det jeg lurer på er om dere kunne lage / gi meg et koblingsskjema til hvordan vi kan koble opp bensinpumpen slik at hvis bilen f.eks taker, eller kvæles, så skal pumpen slå seg av uten at vi slår av hovedstrømmen. Vi fant et koblingsskjema her på forumet tidligere der dem koblet bensinpumpen til oljetrykksmåleren, men læreren mente at det finnes en lettere måte.. Noen som har tips? Går det på noen måte ant å koble denne opp mot dynamoen? mvh. lynzerk Siter Lenke til kommentar Del på andre sider More sharing options...
Einar Skrevet Januar 19, 2010 Rapporter Share Skrevet Januar 19, 2010 Stikk av med en sikkerhetsbryter til bensinpumpe, fra en Gammal sierra eller scorpio med innsprøytning, koble den i serie med pumpa og ved ett godt dunk, så stopper den. Men da vil bilen stoppe hver gang du dulter litt. Koble med relè fra D+, det er det enkleste, og syns læreren det blir for vanskelig så lurer jeg på hvordan han vil greie å bygge en bil... Siter Bilforumet.noÆres Super Moderator `84 Ford Granada 2.3 L Turnier`92 Ford Scorpio 2.9 GL Lenke til kommentar Del på andre sider More sharing options...
Lasse J Skrevet Januar 19, 2010 Forfatter Rapporter Share Skrevet Januar 19, 2010 Koble med relè fra D+, det er det enkleste, og syns læreren det blir for vanskelig så lurer jeg på hvordan han vil greie å bygge en bil... d+ aka +dynamo? Så når dynamoen slutter å produsere vil bensinpumpa også slutte å fungere? Siter Lenke til kommentar Del på andre sider More sharing options...
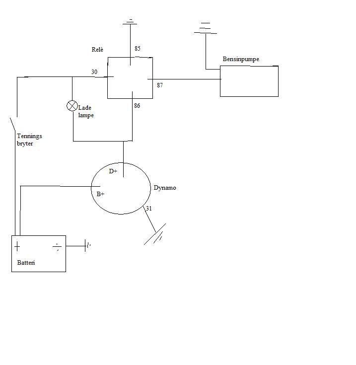
Einar Skrevet Januar 19, 2010 Rapporter Share Skrevet Januar 19, 2010 Ja, du kobler med ett relè som blir styrt av den tynne ledningen på dynamoen, rett og slett D+(blå/tynn) inn på 85 og jord på 86 på relèet. pluss til pumpe på 30 og pluss fra relè og videre til pumpa på 87 Siter Bilforumet.noÆres Super Moderator `84 Ford Granada 2.3 L Turnier`92 Ford Scorpio 2.9 GL Lenke til kommentar Del på andre sider More sharing options...
Lasse J Skrevet Januar 19, 2010 Forfatter Rapporter Share Skrevet Januar 19, 2010 (endret) Du kunne ikke rask bare tegnet dette inn på paint å laste opp?:P Har visse vanskligheter å forestille meg dette på skriftform:D Tusen takk for hjelpen Einar:) Endret Mai 15, 2011 av Lasse J Siter Lenke til kommentar Del på andre sider More sharing options...
Lasse J Skrevet Januar 20, 2010 Forfatter Rapporter Share Skrevet Januar 20, 2010 Bump Siter Lenke til kommentar Del på andre sider More sharing options...
Einar Skrevet Januar 20, 2010 Rapporter Share Skrevet Januar 20, 2010 Kjapt og gæli.... de fleste biler har dette innebygd i enten styreenhet eller pumperelè(med signal fra tenning eller LMM) Siter Bilforumet.noÆres Super Moderator `84 Ford Granada 2.3 L Turnier`92 Ford Scorpio 2.9 GL Lenke til kommentar Del på andre sider More sharing options...
Anbefalte innlegg
Join the conversation
You can post now and register later. If you have an account, sign in now to post with your account.