Gnagsåret Skrevet Juli 8, 2023 Rapporter Share Skrevet Juli 8, 2023 Har en løs mansjett på støtdemper bak, humper opp og ned. Eu- kontroll? Også mye rust på bremseskjold foran, litt skranglete under kjøring, lav fart Mitsubishi L200 reagerte på dette 1 Siter Lenke til kommentar Del på andre sider More sharing options...
Mitsubishi L200 Skrevet Juli 10, 2023 Rapporter Share Skrevet Juli 10, 2023 Ville nok få fikset dette før bilen skal vises 🙂 Siter Mine Kjøretøy Mitsubishi L200 2009 Mod Toyota Rav 4 2002 Mod Mazda 626 1992 Mod (Veteran) Lenke til kommentar Del på andre sider More sharing options...
Gnagsåret Skrevet Juli 10, 2023 Forfatter Rapporter Share Skrevet Juli 10, 2023 Ja, bør vel det. Er det mye arbeid å skifte støvmansjett? Corolla liftback 2001 modell, demper bak. Sette den på verksted er vel ikke aktuelt med så gammel bil hvis dyr affære. Mitsubishi L200 reagerte på dette 1 Siter Lenke til kommentar Del på andre sider More sharing options...
Mitsubishi L200 Skrevet Juli 24, 2023 Rapporter Share Skrevet Juli 24, 2023 På 7/10/2023 den 8:36 PM, gunn skrev: Ja, bør vel det. Er det mye arbeid å skifte støvmansjett? Corolla liftback 2001 modell, demper bak. Sette den på verksted er vel ikke aktuelt med så gammel bil hvis dyr affære. Skal være en overkommelig jobb det men bør ha litt skruerfaring spørs om det er foran eller bak? 🙂 Siter Mine Kjøretøy Mitsubishi L200 2009 Mod Toyota Rav 4 2002 Mod Mazda 626 1992 Mod (Veteran) Lenke til kommentar Del på andre sider More sharing options...
Gnagsåret Skrevet Juli 24, 2023 Forfatter Rapporter Share Skrevet Juli 24, 2023 Det er høyre bak Mitsubishi L200 reagerte på dette 1 Siter Lenke til kommentar Del på andre sider More sharing options...
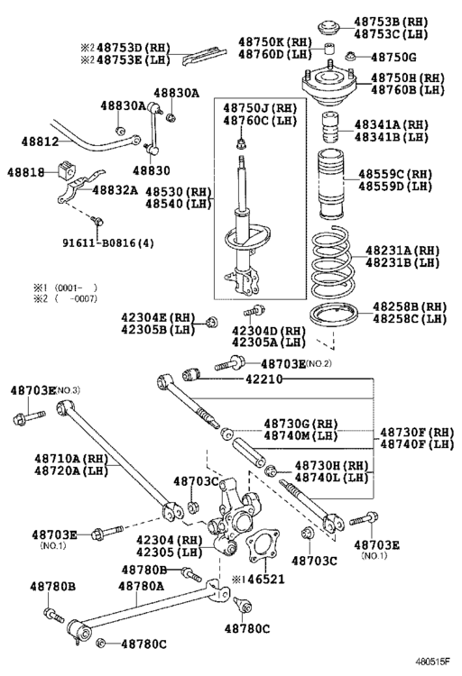
Mitsubishi L200 Skrevet Juli 25, 2023 Rapporter Share Skrevet Juli 25, 2023 15 timer siden, gunn skrev: Det er høyre bak Høyre bak ja Fant tegning på en Avensis T22 2001 Modell den kan være litt vanskelig og skifte om man ikke har skruerfaring må også ha litt verktøy osv fjærspenner noen hundrelapper på Biltema 193,- kroner på Eurodel +99,- i Frakt Siter Mine Kjøretøy Mitsubishi L200 2009 Mod Toyota Rav 4 2002 Mod Mazda 626 1992 Mod (Veteran) Lenke til kommentar Del på andre sider More sharing options...
Gnagsåret Skrevet Juli 25, 2023 Forfatter Rapporter Share Skrevet Juli 25, 2023 Takk. Vil høre om det er noe han vil ta på seg, han som har hjulpet meg tidligere. Mitsubishi L200 reagerte på dette 1 Siter Lenke til kommentar Del på andre sider More sharing options...
Mitsubishi L200 Skrevet Juli 25, 2023 Rapporter Share Skrevet Juli 25, 2023 4 timer siden, gunn skrev: Takk. Vil høre om det er noe han vil ta på seg, han som har hjulpet meg tidligere. Ingen årsak jeg tipper det er tegningsnummer 48559C du henviser til mulig han hjelper deg 😉 Siter Mine Kjøretøy Mitsubishi L200 2009 Mod Toyota Rav 4 2002 Mod Mazda 626 1992 Mod (Veteran) Lenke til kommentar Del på andre sider More sharing options...
Gnagsåret Skrevet Juli 25, 2023 Forfatter Rapporter Share Skrevet Juli 25, 2023 👍👍👍 Siter Lenke til kommentar Del på andre sider More sharing options...
Mitsubishi L200 Skrevet Juli 25, 2023 Rapporter Share Skrevet Juli 25, 2023 1 time siden, gunn skrev: 👍👍👍 👍👍👍 håper det går i orden da 😄 Siter Mine Kjøretøy Mitsubishi L200 2009 Mod Toyota Rav 4 2002 Mod Mazda 626 1992 Mod (Veteran) Lenke til kommentar Del på andre sider More sharing options...
Gnagsåret Skrevet Juli 26, 2023 Forfatter Rapporter Share Skrevet Juli 26, 2023 Ja, håper det. Takk for at du undersøkte og svarte på mitt spm !😊 Mitsubishi L200 reagerte på dette 1 Siter Lenke til kommentar Del på andre sider More sharing options...
Mitsubishi L200 Skrevet Juli 27, 2023 Rapporter Share Skrevet Juli 27, 2023 16 timer siden, gunn skrev: Ja, håper det. Takk for at du undersøkte og svarte på mitt spm !😊 Bare koselig 🙂 vi må jo hjelpe hverandre her 🙂 Her har du rimelige deler 🙂 https://www.eurodel.no/ https://www.bildeler.no/ https://www.thansen.no/ Siter Mine Kjøretøy Mitsubishi L200 2009 Mod Toyota Rav 4 2002 Mod Mazda 626 1992 Mod (Veteran) Lenke til kommentar Del på andre sider More sharing options...
Gnagsåret Skrevet Juli 27, 2023 Forfatter Rapporter Share Skrevet Juli 27, 2023 👍 Mitsubishi L200 reagerte på dette 1 Siter Lenke til kommentar Del på andre sider More sharing options...
Mitsubishi L200 Skrevet Juli 31, 2023 Rapporter Share Skrevet Juli 31, 2023 På 7/27/2023 den 8:03 AM, gunn skrev: 👍 👍👍 Siter Mine Kjøretøy Mitsubishi L200 2009 Mod Toyota Rav 4 2002 Mod Mazda 626 1992 Mod (Veteran) Lenke til kommentar Del på andre sider More sharing options...
Anbefalte innlegg
Join the conversation
You can post now and register later. If you have an account, sign in now to post with your account.