-
Innholdsteller
1,375 -
Ble med
-
Besøkte siden sist
Alt skrevet av Hondaen
-
Hei! Jeg er elkraft ingeniør og hadde hovedoppgave for Norsk Hydro ang. batteriene de har i sine UPS installasjoner i nordsjøen ( nødstrøm system ) og samarbeide bl.a. med Exide Sønnak. Kan derfor si jeg har kompetanse for å svare på ditt spørsmål. Kort fortalt så trenger GEL batteriet en annen lademåte enn frittventilerte blysyre batteri. Det er fordi mot slutten av ladeforløpet ( når batteriet er 100% ladet ) så vil oksygenomdanningen inne i batteriet øke drastisk. Dette gjør at batteriet sluker strøm og den strømmen går KUN til varme, noe som i værste fall kan føre til eksplosjon. Problemet med en vanlig laderegulator for bil er at den ikke har strømbegrensnings krets, som trengs for GEL batteriet. Sannsynligvis blir det ødelagt for godt, fordi elektrolytten forsvinner. Du kan ikke etterfylle vann på slike ventilregulerte batteri. GEL batteriet er et ventilregulert blysyre batteri. Dvs en ventil i cellen sørger for at det alltid er ca 0.1 bar høyere trykk der enn omgivelsene, dette for å minimere vannforbruk ( slippe påfylling ). De har ikke like lang levetid som de "vanlige" frittventilerte blysyre batteriene. Det som står nedenfor her skrev jeg i et annet forum, kan være til hjelp: http://forum.hardware.no/viewtopic.php?t=147212&highlight= Det er to typer blysyre batteri: 1. Frittventilert blysyre batteri. 2. Ventilregulert blysyre batteri ( VRLA - Valve regulated lead acid ). Frittventilert blysyre batteri, er batteri der du kan fylle syre på, du kan åpne opp skruer/propper. Ventilregulert blysyre batteri, er batterier som navnet tilsier, har en gassventil som regulerer gasstrykket inne i cellene. Man skal ikke fylle vann på disse, da de er forseglet. Fordelen med disse batteriene er at de er "vedlikeholdsfrie" ( siden man ikke trenger å fylle på vann ), men ingen blysyrebatteri er vedlikeholdsfrie da de trenger jevnlig ettersyn og rengjøring. Ulempen med ventilregulerte blysyre batteri er en relativt kort levetid, maks 5-6 år ved vanlig bruk. Disse to batteritypene krever forskjellige lademetoder. Frittventilert: For at et frittventilert blysyre batteri skal bli 100% oppladet, så MÅ det være 2.23V/celle. Det tar dog lang tid å lade opp, setter vi på 2.23V/celle. Batteriet kan derfor boostlades med all strøm tilgjengelig til spenningen er 2.4V/celle, uten å risikere at batteriet blir ødelagt. Ved 2.4V har man ladet inn 80% av tilgjengelig kapasitet ( batteri i god stand ). Hvis man forsetter å lade videre uten å kutte den store ladestrømmen, så vil det oppstå en voldsom gassutvikling uten at man kommer noe vei med ladingen. Neste trinn av ladingen gjøres derfor med: (0.1 * Kapasitet i Ah) ampere, dvs man går over til konstantstrømlading. Siste trinn i ladingen er gassutvikling eneste reaksjon i cellene, dvs de siste lademinuttene skjer det ingen reaksjon av ladetilstanden til batteriet. Når denne ladingen er ferdig, pleier gode ladere å gå over til vedlikeholdslading. Dvs, man lader med en konstant spenning som skal dekke batteriets naturlige utladingstap. VRLA batteri: Samme som ovenfor, men ladingen må være strombegrenset mot slutten fordi oksygenomdanning inne i cellene vil øke kraftig og dermed trekke mye strøm. Er det ikke strømbegrensing kan "thermal runaway" oppstå, altså batteriet blir kokvarmt og får redusert kapasitet grunnet fordampning av elektrolytt via ventilene. I værste fall eksplodere ( Varm syre er ikke greit å få på seg..) Alt i alt... en konstant spenningslader er greit nok hvis du har god til til å lade frittventilert blysyre batteri og ikke har hastverk med å få ladet opp batteriet. Da vil den kunne stå på hele tiden. Vær obs på at VRLA batteri har en annen blylegering ( for å hindre vannforbruk og forbedre syklings egenskaper ) enn frittventilerte, derfor vil ladespenning og vedlikeholdsspenning variere fra produsent til produsent. Skal du lade et VRLA batteri, sjekk databladet til batteriet for å lese mer om hva de skriver om rett ladespenning. Det bør du igrunn gjøre for alle batteri som skal lades.. Temperatur har også noe å si på lademåte. Hvis temperaturen avviker mer enn 5 grader fra nominell temperatur ( 20 grader cel. ) bør spenningen korrigeres med 4mV/grad cel. Høyere spenning, jo kaldere det er, lavere ved økt temp. Det er tilgjengelig ulike IC`er som styrer lademåte. Les databladene nøye, hva de er beregnet for og hvordan de gjør det. Eneste IC`en jeg fant hos ELFA for blysyre batteri er for VRLA batteri. For å utnytte levetiden til et blysyre batteri maksimalt, må en god lader brukes. Enkle og billige ladere består av en transformator og en likeretter. Disse bør unngås. Kalles populært batterikokere fordi de ødelegger batteriene.. Et blysyre batteri er dødsdømt i første øyeblikk det fylles syre på. Det blir hele tiden konsumert bly. Derfor er levetiden begrenset. Dype utladinger sykler blyet kraftig og reduserer levetid. I uladete blysyre batteri vil korrosjonsprosessene gå fortere, og de stiger med økene med økene temperatur. Motto: Lagre fulladet og kaldt! Lad dem min. hver 3 mnd ca. Faktorer som fører til forkortet levetid til blysyre batteri: *Høy temperatur, jo høyere jo fortere ødelagt. *Lademåte ( koking ) *Utladetype. Dyype utladinger sykler blyet kraftig ( ved utlading brukes syre og bly dannes, ved lading brukes bly og syre dannes ) Denne prosessen er altså ikke uten tap. *Antall utlade/ladeprosesser. Ved lade/utlade forløp vil noe bly gå tapt og legge seg som bunnfall. *Dårlig rengjøring. Syresøl på negativ pol gjør ingenting. Syresøl på positiv pol medfører at den blir spist opp!. Renhold renhold renhold! Ok det var litt om blysyre batteri, bare spør hvis dere lurer på noe mer :)
-
Hvorfor stresse. Få deg service manualen til bilen og sjekk koblings skjemaet til ledningsnettet der. Da er det bare å følge ledningene til du finnet bruddet.
-
Er ikke anlegget 100% tett så blir effektiviteten lavere og lavere med tiden.. 99.99% tett er ikke nok. Sannsynligvis har deler av kuldemediet lekket ut. Få anlegget trykktestet og påfylt med rett mengde, ny kuldemedie.
-
Sjekk service manualen... Vet Honda bruker vanlig motorolje i sine manuelle girkasser til bil. Noe annet enn 90W liksom :) Poenget er at det er lurt å sjekke hva bilprodusenten anbefaler, da det tydelig er varians på området. Og olje til girkassen tuller man ikke med.. Vet om en kar som bygget turbo motor og etter endel titusner kr og manfoldige arbeids timer kom prøveturen. Nå hadde han glemt å fylle på girolje da........... så da han skulle sjekke hva de rare lydene fra girkassen var fornoe og sjekket oljenivå så rant det ut en tjukk grøt av fint metallspon.... :D
-
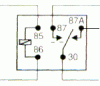
Det er ikke så vanskelig :) 85 og 86 er tilkoblingene til spolen. Når du setter spenning på spolen så trekker den bryterkontaktene mot hverandre ( fordi spolen er en elektromagnet, eller elektrisk styrt magnet om du vil ) 30, 87 og 87a er tilkoblingene til selve bryterene. 30 er fellespunktet. Mellom 30 og 87 bryteren normalt åpen ( normaly open ) når du ikke har spenning på spolen. Mellom 30 og 87a er bryteren normal lukket ( normaly closed ) når du ikke har spenning på spolen. Når du setter spenning på spolen så vil altså elektromagnetet dra til seg bryterkontaktene. Mellom 30 og 87 er det da kortsluttning/kontakt. Mellom 30 og 87a er det ingen kortsluttning/kontakt. Du kan koble det slik: Denne koblingen gjør at du kan styre tåkelysene fra en bryter inne i bilen. 1. Finn ledningen til ene parkeringslys pæren. Når du vrir om tenningen vil denne få +12V. Koble en strømtyv på denne og legg en ledning fra den inn til tåkelysbryteren inne i bilen. 2. Fra tåkelysbryteren inne i bilen går ledningen til 85 på releet. 86 på releet koblet du til jord. 3. Når du da vrir om tenningen og aktiverer tåkelysbryteren inne i bilen så skal du høre at releet slår inn/ut. Fungerer det så har du klart å koble opp styrestrømmen til releet. Da er det på tide å gå videre til hovedstrømmen: 4. Parallellkoble tåkelys ledningene. Du sitter da igjen med to ledninger. Ene ledningen kobler du til jord/chassis. Andre går til 30 på releet. 5. Fra pluss polen på batteriet ditt kobler du en ledning til en sikringsholder. Bruk en sikring på ca 16A. Fra sikringsholderen går du videre og kobler til 87 på releet. Nå kan du forhåpentligvis styre tåkelysene dine ved hjelp av bryteren inne i bilen, når tenningen er på. Koblet tåkelys på bilen til en kompis. Jeg gjorde litt mer avansert: tåkelys kunne bare være innkoblet når kjørelys og langlys var AV. Men dette kunne "overkjøres" ved hjelp av en bryter inne i bilen, slik at han hadde full kontrolll på bruk av tåkelys.. På denne måten ble sjangsen for å bruke tåkelys feil minimert ( hvis kona hans skulle kjøre.. ) Bruk KUN kabelsko og en god kabelsko tang til koblingene. Husk rett kabelsko til rett ledningsareal. Rød kabelsko til 1.5mm^2 ledning. Blå kabelsko til 2.5mm^2 ledning. Gul....: 6mm^2.. Press kabelskoene på plass med kabelsko tangen... en rød kabelsko skal sitte i den rød markerte kjeften i kabelsko tangen osv.. Du kan bruke 1.5mm^2 ledning til ditt bruk. Lykke til :) =)
-
Siden du var ute å kjørte uten lappen så skal du bare ligge lavt.. Betal nå den jævla sykkelen og vær høfflig før han melder deg til politiet, da blir det plutselig mye dyrere :-| Hadde du kjørt med lappen så ville jeg truet med erstatning for skade på bilen.. Foreldrene må jo fortelle småungene at de ikke skal legge sykler, stein eller annet faenskap midt i motorveien. Småunger har ikke noe der å gjøre idetheletatt. Jeg kunne jo lagt en gammel sykkel midt i veien nedenfor her og ventet til en stakkar kjørte på den.. ERSTATT sykkelen!! whoohooo! ny sykkel... guess not :rolleyes: :rolleyes: :rolleyes:
-
.....og her gikk du tom for argumenter. At du går i forsvar på en slik barnslig måte er jo et godt bevis på den svake person du er..
-
candyman: Med tanke på hvor mye dritt du, ascona og rdl har postet om andre mennesker så må vel jeg få lov til å si hva jeg mener en skjelden gang... skjønner ikke hvorfor DU tar dette opp, er det en som har slenkt personlig dritt her inne så er det nettopp deg. Ser du igjennom mine poster så er de stort sett ment for å hjelpe andre som har problemer.
-
Den dagen du mister en av dine nærmeste ved påkjørsel pga en lokal helte råner ville være tøff og spare 30 sekunder vil du nok angre på hva du nettopp sa. Har lest endel av postene dine Ascona og hørt om dine sprell. Tankene dine er like mye verdt som å sniffe prompelukt i barnehagen, du er en patetisk person. Greit nok, du vil bedømme selv hvor du kan kjøre hardt. Men du må vel evne å forstå at ikke alle mennesker på jorden klarer å vurdere dette like bra som deg.. Kjøre fort på motorvei er lettere å kunne bedømme hvor hardt man kan kjøre, iforhold til en vikepliktsvei full av småunger. Den dagen du fikk lappen var en trist dag for Norge. Du har overhodet ikke noe i trafikken å gjøre.
-
Er en ganske enkel krets som trengs. Elfa selger LM 3915 som er analog lysdiode driver ( IC )som kan lage et vandrene lyspunkt ( alt ettersom spenning man tilfører ) Koster 40 kr..
-
Har du luftet drivstoff systemet etter du byttet filter..... det må gjøres. All luft må fjernes.
-
1 ohm mellom + og jord ved batteri utkoblet ? Er jo full kortsluttning det.. Sannsynligvis generatoren din som ikke har tålt den "nye" belastningen din ( forsterken ). Sjekk den for feil.. Skal være ca 14.4V ladespenning ved tomgang, over batteriet.
-
Skal du begynne å mekke, skaff deg verkstedsmanualen så vet du hva du driver på med. =)
-
Generatoren din er defekt. Sannsynligheter: børstene utslitt, likeretterdioder eller spenningsregulator til rotoren tatt kvelden. Best du får det sjekket.. kjipt måtte betale falken 1500 spenn for å bli tauet :-|
-
cfn: Prøv å sveis en stang vinkelrett ut fra setepinnen ( som en T ). Så tar du godt tak i den påsveiste stangen og vrikke den fra side til side. Går ikke det så varm det skikkelig opp med gass... men da blir lakken seff ødelagt. :)
-
En kompis av deg kjører som en tulling og tar nesten livet av seg selv og andre. Attpåtil så har han nett fått lappen. Tror du virkelig at du/han skal få medfølelse av å skrive her inne ?? Hva faen forventer du ? Snakker om IDIOT!
-
Vel, nå vet alle hvorfor 200sx er så dyr å forsikre.. Sjåføren er en stor idiot. Han skal være glad han lever og ikke dro med seg andre i drapsforsøket sitt. Har overhodet ingen medfølelse for fyren. Hva hvis det kom en i motgående kjøreretning ? Nettopp fått lappen så skal han kjøre som en forbanna tulling...patetisk. Håper han blir uten lappen en god stund!:mad: :rolleyes: :rolleyes: :rolleyes:
-
Har 5 vekttalls hovedoppgave om frittventilerte og ventilregulerte blysyre batteri. Kan garantere at Sønnak sine produkter ikke er dårlige :)
-
Du må ikke bruke dor og hammer på noe slikt. Bare du ikke har gjort det skeivt allerede.... I navet til kransen, der kan du ser at det er mange små tapper som stikker ut. Du kjøper en spesial pipe og setter den inn. Den glir da inn mellom tappene og du har kan dra til kransen med en leddnøkkel. Kransen sitter altså fast på fingjenger, i selve hjulnavet. Slike spesial piper kan du f.eks kjøpe hos clas ohlson eller gode sykkelbutikker. Ikke kjøp hos biltema. Dårlig kvalitet på akkurat det der.. samme gjelder kjedekutterene de har, de er bare boss.
-
What is the meaning of Vf as it relates to a diode or rectifier? Vf is the forward voltage drop of a semiconductor. It consists of two components; an intrinsic offset voltage (0.3 volt for germanium ; 0 .7 for silicon) plus If x R, where R is the resistance of the semiconductor and leads multiplied by the current, If. Vf is undesireable and is minimized whenever possible as it adversely affects the efficiency of the circuit and results in a power loss, that loss is Vf xIf.
-
Skaff deg service manualen til bilen. Der skal det stå mm verdier ( tykkelse ) på skiver og belegg på klosser. Høres ut som stemplene dine i caliperen er rustet godt... Det merker du vet at de går treeigt.... Ville tatt dem av og overhalt dem med et overhalingskit som er å få kjøpt, eventuelt honet sylindrene i caliperen hvis det er mye irr der. Stemplene skal du kunne presse inn og ut uten å bruke alt for mye krefter.. Er ingenting som presser tilbake skivene tilbake fra skiva når man slutter å bremse, annet en trykket i bremserørene. Ved bytte av skiver og klosser, sørg for renslighet!!! Ikke ta direkte på bremseklossene med fettete fingre. Litt fett/olje på dem og de taper seg. Bremseskiven renser du grundig i rødsprit eller aceton etter montering, for å fjerne fett/olje fra hender osv. Bruk kopperpasta bak skiver og div. bevegelige deler så de ikke brenner seg fast ved varmepåvirkning. Gjerne på kontaktflaten til felgen, så den ikke irrer seg fast. Men husk renslighet.. Du må nok ta av calipperen for å rense dem og dermed så må du søle med bremseveske.. husk å lufte systemet grundig så du ikke havner i fjellveggen..
-
Du får dårlig veigrep, ser lamt ut ( skeiv bil ), økt slitasje på venstre forhjul og drivverk. Kan spare deg for mye penger i framtidige utgifter ved å få dette fikser nå.
Bilforumet diskusjon
Bilforumet er plassen du diskuterer bilrelatert innhold. Du spør gode spørsmål og får hjelp av dyktige medlemmer med til sammen tusenvis av år med erfaring fra bilhold. Du kan diskutere alt fra bremseproblemer, tips til montering av ekstralys, hjelp til feilsøking. Du kan også dele dine erfaringer med andre og hjelpe andre medlemmer av dette fantastiske samfunnet.
Kommersielt innhold
Innholdet på forumet er i all hovedsak brukergenerert og blir moderert av brukerne selv. Det er strenge regler for posting av direkte reklame fra eksterne aktører. Forumet eies av Ekstralys as og er hovedsponsor av forumet. Ekstralys og enkelte partnere har anledning å poste umoderert innhold som kan inneholde produktplasseringer. I slike tilfeller vil kommersielt innhold være merket av den som poster i dens signatur.